描述:
本篇文章给大家介绍一下三菱FX3U系列的PLC,现在大部分设备采用的都是FX3U的PLC,因为FX3U是FX2N的升级产品,在性能上和运算速率上都比FX2N快很多,故为大家介绍一下FX3U系列PLC硬件和源型/漏型输入输出接线相关的介绍。

一:正面面板


二:侧面

三:FX3U系列基本单元介绍
FX3U-16MR/ES-A基本单元,内置8入/8出(继电器),AC电源
FX3U-32MR/ES-A基本单元,内置16入/16出(继电器),AC电源
FX3U-48MR/ES-A基本单元,内置24入/24出(继电器),AC电源
FX3U-64MR/ES-A基本单元,内置32入/32出(继电器),AC电源
FX3U-80MR/ES-A基本单元,内置40入/40出(继电器),AC电源
FX3U-128MR/ES-A基本单元,内置64入/64出(继电器),AC电源
FX3U-16MT/ES-A基本单元,内置8入/8出(晶体管漏型),AC电源
FX3U-32MT/ES-A基本单元,内置16入/16出(晶体管漏型),AC电源
FX3U-48MT/ES-A基本单元,内置24入/24出(晶体管漏型),AC电源
FX3U-64MT/ES-A基本单元,内置32入/32出(晶体管漏型),AC电源
FX3U-80MT/ES-A基本单元,内置40入/40出(晶体管漏型),AC电源
FX3U-128MT/ES-A基本单元,内置64入/64出(晶体管漏型),AC电源
四:端子排介绍

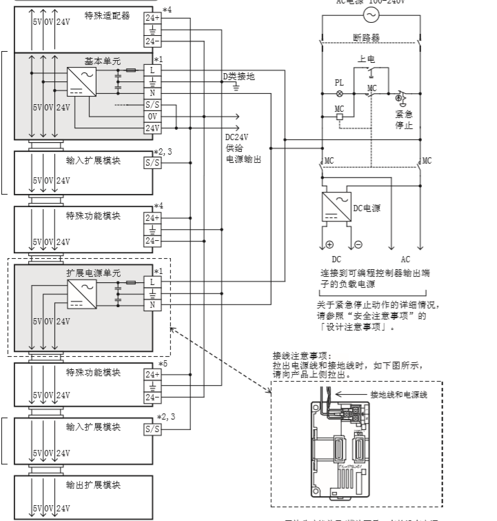
五:连接基本单元和扩展单元方法

六:接线方式(漏型/源型)
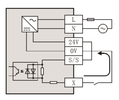
1)扩展电源单元外部接线(漏型输入【-公共端】)

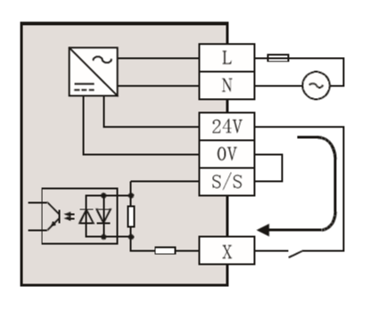
2)扩展电源单元外部接线(源型输入【+公共端】)

七:漏型/源型输入介绍
1)漏型输入【-公共端】
当DC输入信号是从输入(X)端子流出电流然后输入时,称为漏型输入。
连接晶体管输出型的传感器输出等时,可以使用NPN集电极开路型晶体管输出。

2)源型输入【+公共端】
当DC输入信号是电流流向到输入(X)端子的输入时,称为源型输入。
连接晶体管输出型的传感器输出等时,可以使用PNP集电极开路型晶体管输出。

3)AC电源型和DC电源型接线

4)输入端子接线

八:漏型/源型输出介绍
1)漏型输出【-公共端】
负载电流流到输出(Y)端子,这样的输出称为漏型输出

2)源型输出【+公共端】
负载电流从输出(Y)端子流出,这样的输出称为源型输出

3)(基本单元)继电器输出型

4)继电器外部输出接线

5)漏型输出型
负载电流流入输出(Y)端子。

6)源型输出型
负载电流从输出(Y)端子中流出

免责声明:本文章如果文章侵权,请联系我们处理,本站仅提供信息存储空间服务如因作品内容、版权和其他问题请于本站联系