PLC的程序块主要分为三类:主程序、子程序和中断程序,它们用途如下:

子例程及应用实例
子程序主要用于为程序分段和分块,使其成为较小的、更易管理的块。通过使用较小的程序块,可以方便地对这些区域及整个程序进行调试和排除故障。此外,有些程序段还可以只在需要时调起,无须执行每次扫描,有效减低PLC的扫描周期。
当主程序调用子例程并执行时,子例程执行全部指令直至结束。然后,系统将控制返回至调用子例程的程序段中的主程序。
实例的控制要求如下:
系统设有启停按钮,当选择开关常开点接通时,电动机M1工作;当选择开关常闭点接通时,电动机M2工作;按下停止按钮,两台电动机都停止工作。
两台电动机选择启停控制I/O分配如下:
输入量
输出量
启停按钮
电动机M1
选择开关
电动机M2
两台电动机选择启停控制梯形图程序如下:

中断程序及应用实例
执行中断例程执行时会响应关联的内部或外部事件。执行了中断例程的最后一个指令之后,控制会在中断时返回到扫描周期的断点。
中断处理可快速响应特殊内部或外部事件。可优化中断例程以执行特定任务,然后将控制权返回到扫描周期。
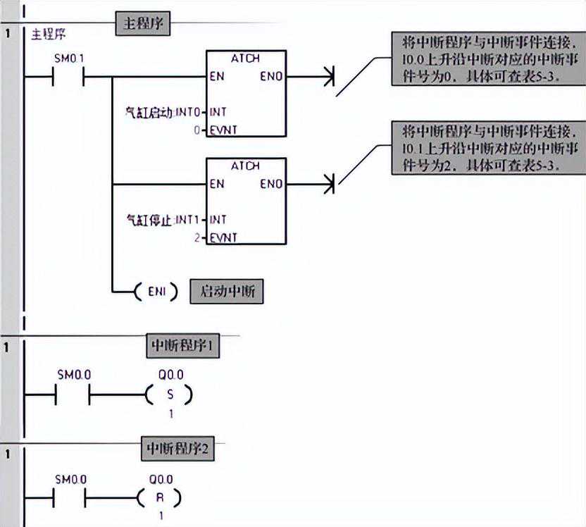
实例的控制要求如下:
当光电开关检测到物料时,气缸得电伸出;气缸限位开关得电,气缸失电缩回。
程序设计过程如下:
首个扫描周期将中断程序与相应的中断事件连接,上升沿中断对应的中断事件号为0,上升沿中断对应的中断事件号为2,因此,第一和第二个中断连接指令;接着启动中断,用到开中断指令ENI;最后编写气缸启动和停止中断程序。

在PLC编程中,子程序和中断程序的使用提高了程序的结构性、灵活性和响应速度。子程序通过代码重用和模块化设计,使程序更清晰、易于维护和修改;而中断程序则通过事件驱动的机制,实现对实时事件的快速响应,节省处理器资源,从而优化系统性能。这两种编程手段的结合,能够有效提升PLC系统的效率和可靠性,是PLC编程中重要的结构化编程重要手段。
至此,S7-200SmartPLC的入门基础已经介绍完毕,依次从硬件基础,基本指令,编程软件环境,应用指令,程序结构等方面说明了PLC的学习过程。
PLC编程是一个系统性的过程,需要有扎实的基础知识,理解PLC的工作原理和组成部分,熟练掌握PLC的编程软件,不断参与项目实践,将理论知识有效地转化为实际应用能力。此外,随着技术的不断进步,持续学习最新的PLC技术和编程方法也是必不可少的。
总的来说,学习PLC编程就是一个理论与实践相结合、不断学习与探索的过程。
免责声明:本文章如果文章侵权,请联系我们处理,本站仅提供信息存储空间服务如因作品内容、版权和其他问题请于本站联系