导读
接过很多个学员电话咨询1200PLC脉冲控制第三方伺服时如何接线的问题,困扰大家的是国内及日系的伺服脉冲管脚默认大多都是NPN接法,而1200的PTO是高电平输出,两者之间如何接线呢?下面就以三种品牌的伺服做位置控制时为例加以分析说明。
一、伺服控制端子及脉冲端子接线
1.台达伺服
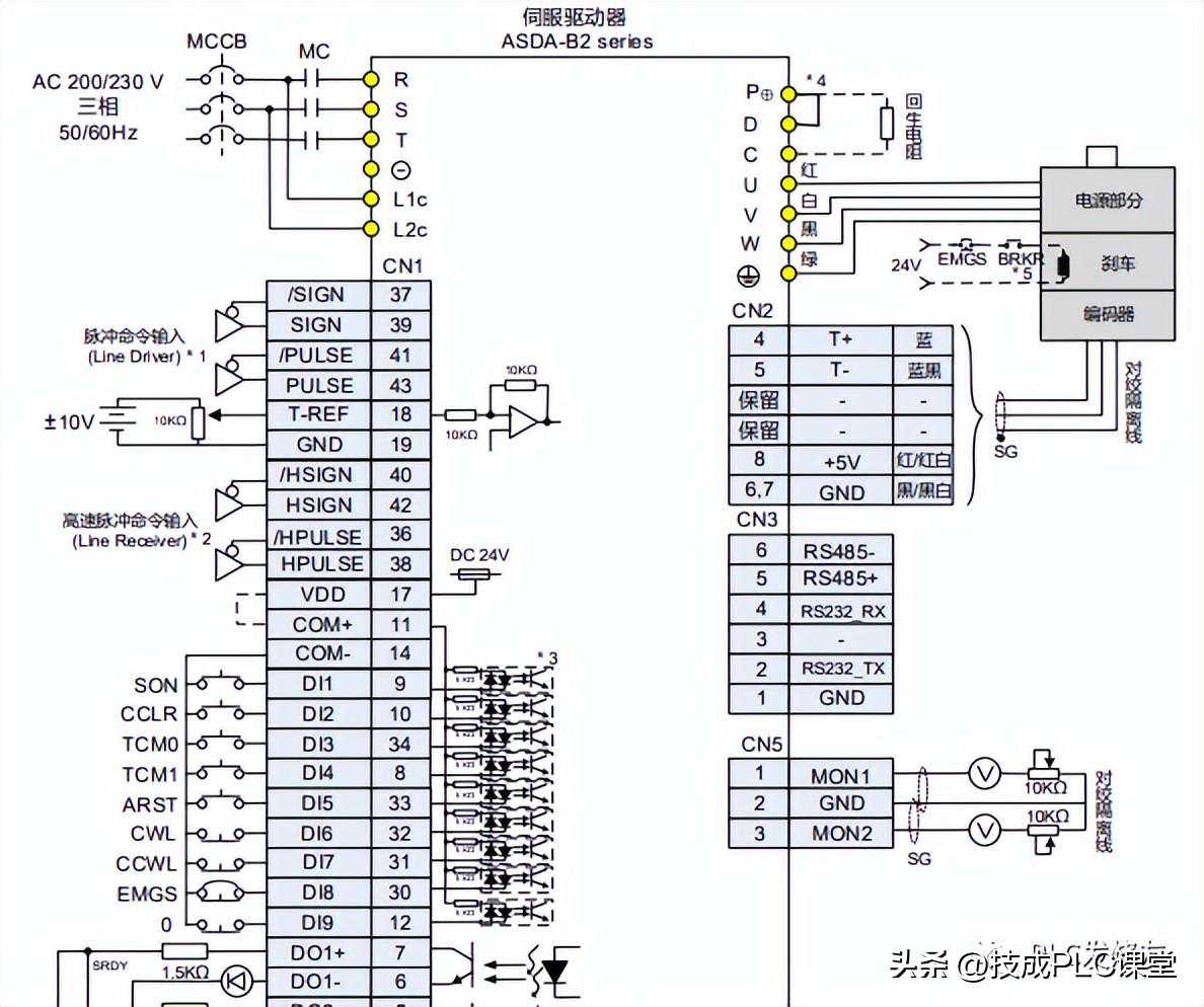
台达B2伺服的控制IO端子接线如下图1所示:

图1位置模式接线
上图为位置控制模式时一些重要端子的接线,由图可知,37、39、41、43为脉冲输入端子,既可以接入高速差分信号(单相脉冲频率最高500KHZ),也可以接入集电极脉冲信号(单相脉冲频率最高200KHZ),图1四个端子接的是差分信号;38、36、42、40只能接收差分高速脉冲,单相脉冲频率最高可达4MHZ。
一般PLC发出的高速脉冲是集电极信号,所以只能接37、39、41、43端子。而1200PLC发出的高速脉冲为集电极PNP型,与台达伺服接线时可参考下图2:

图2脉冲接线(使用外部电源)
图2伺服驱动器部分显示了伺服脉冲端子内部结构图,脉冲方向信号流经的线路均配置了双向二极管,这种结构既可以接NPN的脉冲信号,也可以接PNP的脉冲信号,所以1200与B2伺服的接线可以按上图的方式接。其中43脚接脉冲信号,39脚接方向信号,两个信号的流向均为分别从PLC的两个输出点流入43、39针脚,再流经限流电阻和其中一个能导通的二极管,最终回到35针脚。NPN的接法可以参考B2伺服的手册。
伺服位置模式控制除了脉冲针脚外,还需要对几个控制端子设置正确的参数及接线才能使伺服系统正常运行,比如使能、急停、复位、正负限位等几个输入端子,即为图1中的DI1、DI5、DI6、DI7、DI8针脚,因此我们也有必要了解这些端子的接线方式,如下图3所示:

图3DI端子接线(PNP模式使用外部电源)
与脉冲端子一样,DI内部线路也配置了双向二极管,PNP信号、NPN信号可直接接入。1200PLC的Q点可直接接入SON等管脚。但为安全计,不推荐这种方法,最好是用Q点驱动继电器,继电器的常开触点接到DI端子,与图2的接线一致。
2.三菱伺服
三菱J4伺服的控制IO端子接线如下图4所示:

图4位置模式接线
10、11、35、36为脉冲输入针脚,图中定位模块发出的是差分信号脉冲,1200PLC的脉冲接线如何接要先看这几个针脚的内部结构图,如下图5:

图5端子内部结构图
由上图红框和绿框部分可知,输入端子的内部配置的是双向二极管,而脉冲端子配置的是单相二极管,所以和台达伺服不同,三菱伺服接收集电极脉冲信号时,只能接NPN信号,但1200PLC发出的是PNP脉冲信号,是否意味着1200无法发脉冲控制三菱伺服了呢?答案是否定的。可以根据下图6的方式接。

图6差分脉冲接线
差分信号的电压为5V,由PG流入,经二极管和100欧电阻由PP流出,NP、NG亦是如此。如果1200PLC的为脉冲信号,为方向信号,则发出的脉冲信号可接入PG,发出的方向信号接入NG。但和发出的均是24V信号,所以在接入PG、NG之前要先串联一个1.2KΩ的电阻。控制输入端子内部都接了双向二极管,所以可直接接NPN信号或PNP信号。
3.松下伺服
松下A5伺服的控制端子IO接线如下图7所示:

图7位置模式接线图
由上图可知,松下A5的3、4、5、6针脚和44、45、46、47针脚为高速脉冲接入端子。1200PLC发出的脉冲和方向信号应接在OPC1、4和OPC2、6上,电流流向为脉冲信号由OPC1入,4出;方向信号为由OPC2入,6出。控制输入端子内部和台达、三菱伺服一样,也是配置的双向二极管,因此NPN、PNP信号均可接。
二、1200PLC与三种伺服接线图
一般发脉冲控制伺服的方式都是脉冲+方向,而且伺服的几个输入端子必须要接伺服系统才能正常运行,所以下面的图只是脉冲与必需端子的接线,其它的接线可参考相关手册。
1.与台达伺服接线

图8
图8使用的是外部电源,因脉冲方向端子内部是双向二极管,所以脉冲信号和方向信号可以直接接到43和39号针脚。
2.与三菱伺服接线

图9
图9是使用外部电源的接法,因三菱的脉冲输入端内部配置的是单相二极管,所以脉冲信号、方向信号要仿效差分信号的接法,不过要串联1.2K的电阻。
3.与松下伺服接线

图10
和台达伺服一样,松下伺服脉冲输入端内部也是双向二极管,脉冲信号和方向信号可以直接接入OPC1端和OPC2端。
上述三张图中带箭头的黄色线段是电流信号的流向。
总结
西门子1200PLC发脉冲控制第三方伺服驱动器如何接线需看伺服驱动器手册的接线部分,了解脉冲端子和控制IO的内部接线结构,根据具体的结构才能正确的接线。
如何获取电气热门资料?
操作指引如下!

免责声明:本文章如果文章侵权,请联系我们处理,本站仅提供信息存储空间服务如因作品内容、版权和其他问题请于本站联系