某交通路口红、黄、绿灯位置如图7.53所示,其基本控制要求如下:路口南北方向绿灯显示亮10s后(同时东西方向亮红灯),黄灯以亮1s灭1s的周期闪烁3次(同时东西方向亮红灯),然后变为红灯(同时东西方向绿灯亮、黄灯闪烁),如此循环工作。

图7.53某交通路口红、黄、绿交通灯的位置图
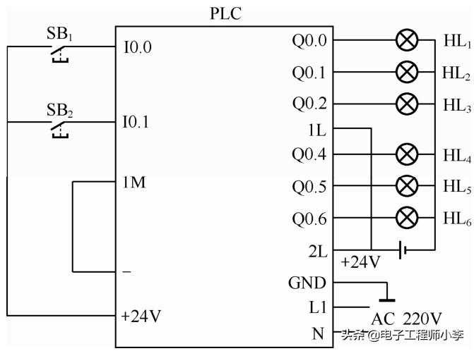
PLC控制I/O端口分配如表7.20所示,I/O接线图如图7.54所示。PLC控制梯形图及语句表如表7.21所示。

表7.20I/O端口分配

图7.54某交通路口红、黄、绿交通灯PLC控制I/O接线图
表7.21交通路口红、黄、绿灯PLC控制梯形图及语句表

续表

续表

续表

免责声明:本文章如果文章侵权,请联系我们处理,本站仅提供信息存储空间服务如因作品内容、版权和其他问题请于本站联系