伺服可以实现位置,速度,扭矩精确控制,尤其在位置控制模式下使用最多。伺服的使用在当前的工业环境下有着广泛的应用,小到家庭门窗窗帘,大到航空航天。学会了伺服不仅可以混口饭吃,而且伺服相关的衍生行业你也都可以做。

伺服外围接线图
伺服结构功能图
伺服的结构功能图
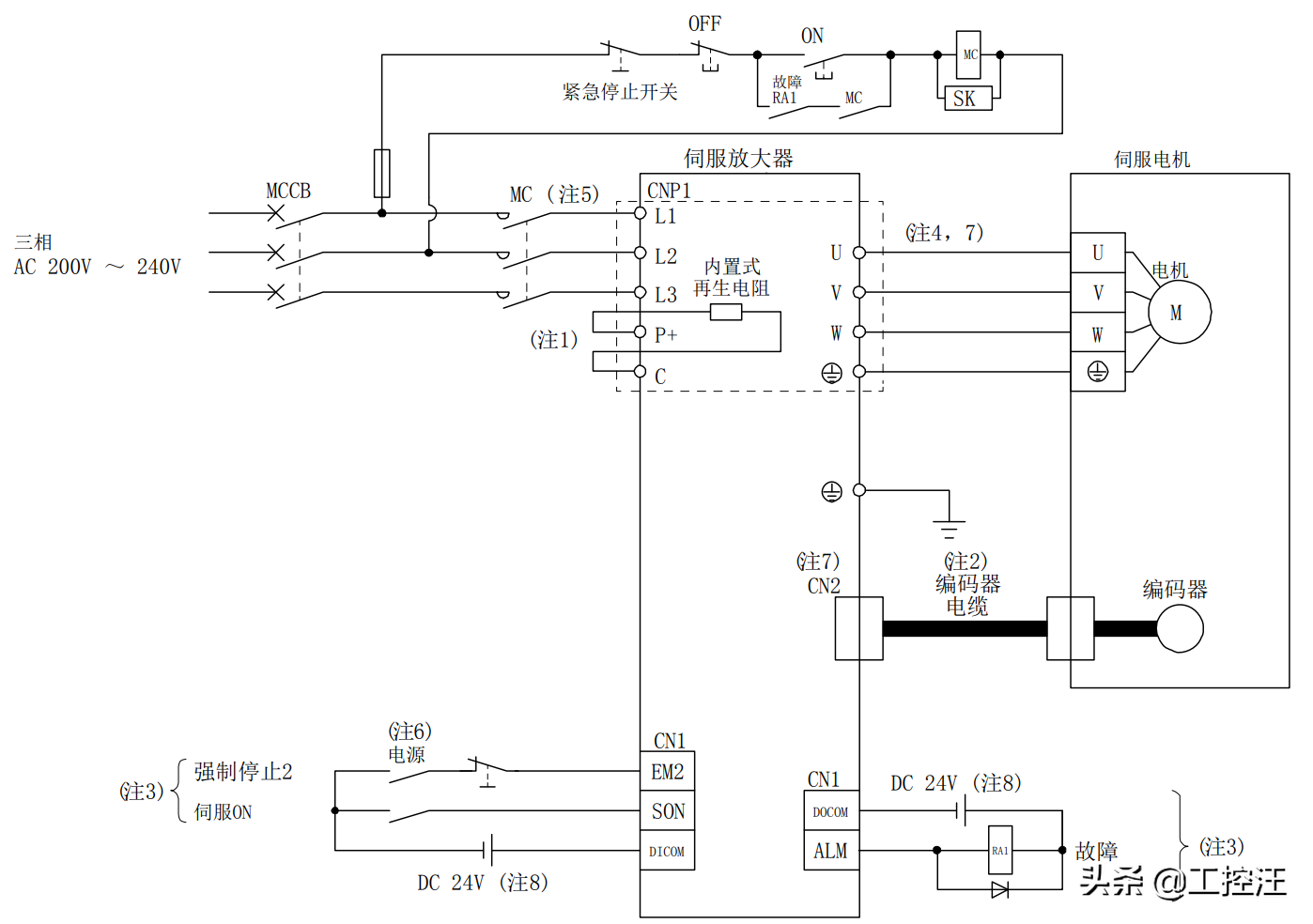
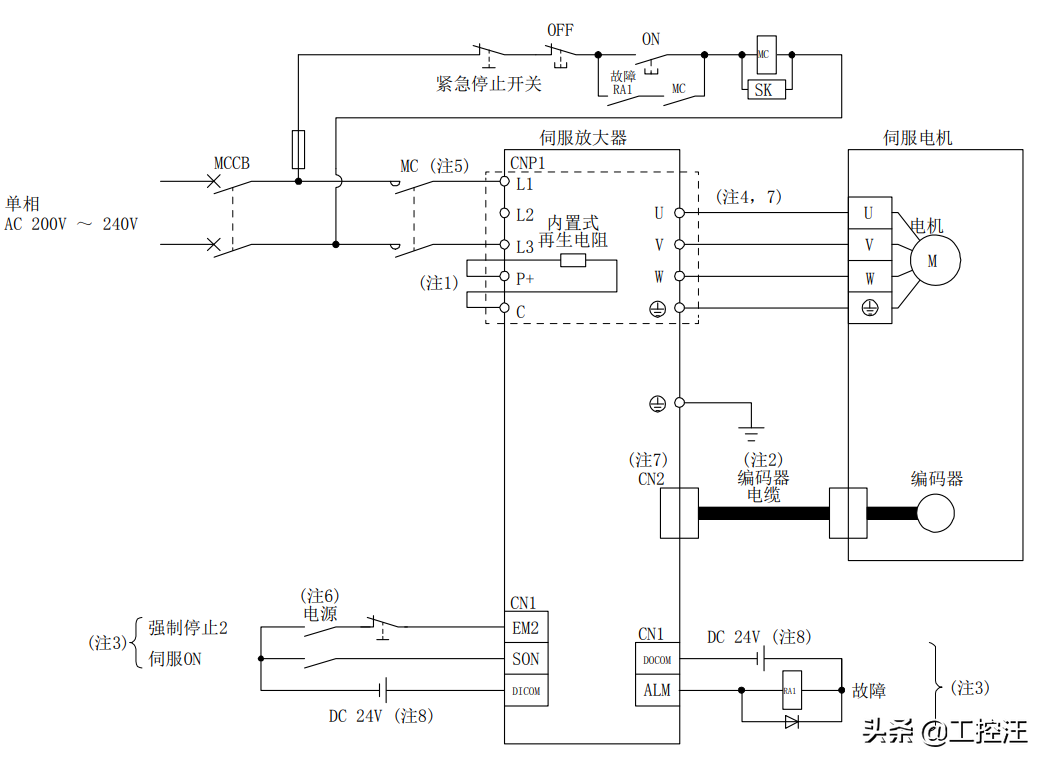
伺服的外部接线图伺服供电线国内一般都是分为三相220电源,和单相220电源,当然还有一些是三相380V,在选型时要特别注意:
1、三菱MR-JE-A三相220V接线图

三相220接线图
2、三菱MR-JE-A单相220接线图

单相220接线图
伺服的三种模式下的接线图1、位置模式下MR-JE-A接下图
位置模式下(差动脉冲输入),漏型输入输出相关接线如下图:

位置模式下漏型输入输出接线图
位置模式下(差动脉冲输入),源型输入输出接线图如下:

位置模式下源型输入输出接线
位置模式下(集电极开路输入),漏型输入输出接线图如下:

位置模式下集电极开路接线图
2、速度模式下三菱伺服驱动相关接线图
三菱伺服驱动速度模式漏型输入输出方式下接线如下图:

速度模式下漏型输入输出接线
三菱伺服驱动速度模式下,源型输入输出接线如下图:

速度模式源型输入输出接线图
3、转矩控制模式下相关接线
三菱MR-JE-A驱动在转矩模式下,漏型输入输出接口时相关接线如下:

转矩模式漏型输入输出接线图
三菱伺服在力矩模式下,源型输入输出接线:

力矩模式下源型接线
伺服的CN1(控制)端子相关接线CN1端子连接线缆插头的背部方向的视图,如下图中红框所示

在三菱MR-JE-A中CN1端子在不同模式下的相关定义:

线缆侧CN1端子端子的针脚序号,如下图所示

免责声明:本文章如果文章侵权,请联系我们处理,本站仅提供信息存储空间服务如因作品内容、版权和其他问题请于本站联系