1.伺服电机的选择
根据题目所给出的ASD—B2—1521—B型伺服驱动器,对照伺服驱动器说明书选取相应的伺服电机,型号为:ECMA—E21315□S(S=22mm),其详尽规格参数见图1。

图1
2.伺服驱动器的选择
题目给出ASD—B2—1521—B型伺服驱动器,其规格参数见图2。


图2
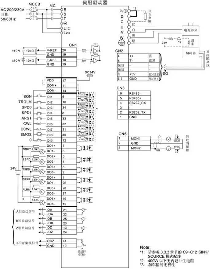
其位置控制信号及速度控制信号原理图分别如图3和图4所示

图4速度模式标准接线

驱动器通用的输入信号及其功能详解

一般信号详细说明


3.系统连接图的确定
在伺服驱动器的基础上,在连接上PLC模块,即可得到伺服驱动器控制伺服电机的系统。
系统连接图如图6:

图6PLC控制系统连接图
4.PLC模块
4.1分析工艺流程及控制要求
由数控机床的进给系统中,传动件要快速移动到加工位置、以加工速度进行加工、快速退回原来位置等要求,那么对应的传动轴传动伺服电机则要求快速正转,以加工速度正转、以加工速度反转、快速反转等。一次,PLC指要控制伺服电机以一定的速度精确地正、反转一定圈数来控制传动件的位置和移动速度。
4.2分析输入输出信号的性质
由机床进给系统动作的分析得:
输入信号有:A相脉冲,B相脉冲,正转按钮SB1,反转按钮SB2,增速按钮SB3,减速按钮SB4,启动按钮SB5,停止按钮SB6。
输出信号:正转Y30、反转Y31指令1、2;增速Y32指令3,减速按钮Y33指令4。
4.3估算PLC的规模
表1I/O地址分配表
输入信号
输出信号
名称
代号
输入点编号
名称
代号
输出点编号
A相脉冲
A
X6
正传
FWD
Y6
B相脉冲
B
X7
反转
REV
Y7
正传按钮
SB1
X0
指令1
Y30
反转按钮
SB2
X1
指令2
Y31
增速按钮
SB3
X2
指令3
Y32
减速按钮
SB4
X3
指令4
Y33
启动按钮
SB5
X4
停止按钮
SB6
X5
PLC是20世纪70年代发展起来的以微处理器为核心,综合计算机技术、自动控制技术和通信技术而发展起来的新型自动控制技术。根据《数控技术课程设计》第3章.3.4.2PLC选型,在统计处的I/O点数基础上增加15%~20%的备用量,以便以后调整和扩展。
PLC模块原理图如图7所示。

图7PLC模块原理图
梯形图如图5-2所示。

图8梯形图
程序:LDX0
OUTY6
LDX1
OUTY7
LDX2
INCD10
LDX3
DECD10
4.4PLC的选用
根据前述统计出的输入输出点数,选用三菱公司的FX2N系列的FX2N-32MT型PLC(输入点数:16,输出点数:16)。
其性能指标如下:
表2一般技术指标
环境温度
使用温度0-55°,存储温度-20-70℃
环境湿度
使用湿度35%-85%RH(无凝露)
防震性能
JISC0911标准,10—65Hz,0.55mm,3轴方向各2次
抗冲击性能
JISC0912标准,10G,3轴方向各3次
抗噪声性能
用噪声模拟器产生电压为1000V,脉宽1μs,30—100Hz的噪声
绝缘耐压
AC1500V,1min
绝缘电阻
5MΩ以上
接地电阻
独立接地,如有接地困难,可以不接地
使用环境
无腐蚀气味,无尘埃
表3输入技术指标
项目
DV24V输入
型号
FX2N的X0—X17
FX2N的X10—
输入信号电压
DC24V
输出信号电压
7mA/DC24V
5mA/DC24V
输入阻抗
3.3kΩ
4.3kΩ
输入ON电流
4.5mA以上
4.5mA以上
输出OFF电流
1.5mA以下
1.5mA以下
输入响应时间
约10ms
输入信号形式
无电压触点,或NPN集电路开路输出晶体管
电路隔离
有关电耦合器隔离,
输入状态显示
输入ON时LED灯亮
表4输出技术指标
项目
晶体管输出
外部电源
DC—30V
最大负载
阻性负载
1.5A/1点,0.8A/4点
感性负载
12W/DC24V
灯负载
1.5W/DC24V
开路漏电流
0.1mA以下
响应时间
ON是:0.2ms;OFF时,0.2ms;大电流0.4ms
电路隔离
光电耦合器隔离
输出动作显示
光电耦合器驱动时LED灯亮
5.开关及保护元件的选择
基本元器件:正转启动按钮:SB1;反转启动按钮:SB2;增速按钮SB3:减速按钮SB4;熔断器(保险丝):FU;热继电器:FR;电磁式继电器:KM。
5.1开关保护元件的选择:
在电路中涉及各种开关,主电路上选用一个低压断路器以保护电路,控制三相交流电动机的开关我选择一般三极电源转换开关,其他部位用主令按钮开关控制,由于开关形状和具体参数均不复杂,在此不做具体介绍,其图形符号和文字符号如下。


接触器熔断器

热继电器


图9开关和按钮
6.变压器的选择
作用:将三相交流380V电压转变为三相交流220V电压
变压器示意图:

图10变压器示意图
变压器选择:控制变压器(380V/36V/220V)型号:BK-150,如下图所示

BK-150控制变压器
7.热继电器的选择

热继电器起电动机的过载保护的作用,由发热元件、双金属片和触头及动作机构等部分组成。其整定值的大小一般根据负载的计算电流进行整定,一般为额定电流的1.05~1.1倍。

,

。根据通过电流的要求选择JR29-16型热继电器,如右图所示。

图11热继电器图形符号和文字符号
(1)用途及使用范围:
适用于交流50HZ/60HZ,主电路额定工作电压至660V,电流额定0.1-500A的电力系统中,供三相感应电动机的过载和断相保护之用。
(2)产品型号及意义:

免责声明:本文章如果文章侵权,请联系我们处理,本站仅提供信息存储空间服务如因作品内容、版权和其他问题请于本站联系