设计用PLC控制数码管循环显示数字0-9,控制要求如下
(1)按下启动按钮后,数码管从0开始显示,1s后显示1,再过1s后显示2,…,显示9,1s后再重新屏示0.如此循环。
(2)当按下停止孩钮后,数码管烟灭。
7段数码营实际上是由7只发光二极管组成,要显示0-9数字,首先确定数字与7只发光管(即PC的输出控制点)的关系。如要易示数字0,则需要a、b、c、d、e
f管亮,则对应的PLC的需驱动的输出点为,,,,,。
I/O分配如下:启动按钮SB1,;停止按钮SB1,;—,数码管a—g。
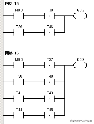
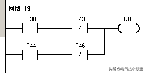
控制程序如图所示:








免责声明:本文章如果文章侵权,请联系我们处理,本站仅提供信息存储空间服务如因作品内容、版权和其他问题请于本站联系