哈喽,大家上午好哇!

昨天智控教育举办的首届电气工程师老师成长营正式结营了!学员们通过一个月的集中学习,终于收获了他们自己想要的成果!
第二期智能制造机电一体化老师成长营的招募也正式启动!留言或者私信获取报名方式,欢迎大家踊跃报名参与!
今天小智给大家带来的是博途教程(基本指令介绍--位逻辑指令),请大家多多点赞转发哦!
本章开始,我们将开始介绍博图的指令应用,从基本指令开始。
先来介绍常用的位指令:常开、常闭、线圈;
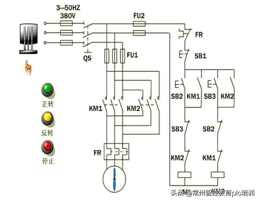
举例:使用PLC控制正反转电路程序,=正转启动,=反转启动,=停止;=正转输出,=反转输出;(看图1-1、1-2)

图1-1

图1-2

图1-3
图1-1、1-2、1-3,先是用电气原理图显示正反转电路,接着加入PLC,使用PLC控制来代替原理图中的控制电路部分;
PLC只可对控制电路进行改变,无法改变主电路。



1-4:常开图1-5:常闭图1-6:线圈
不常用位指令:取反RLO、赋值取反

图1-7

图1-8

取反RLO,可对逻辑运算结果的信号状态进行取反。
如果该指令输入的信号状态为“1”,则指令输出的信号状态为“0”;
如果该指令输入的信号状态为“0”,则指令输出的信号状态为“1”。

“赋值取反”指令,可将逻辑运算的结果进行取反,然后将其赋值给指定操作数。
位指令置位、复位应用:
说明:
置位指令(S),输入的信号状态=1后,将指定的地址位置1;
复位指令(R),输入的信号状态=1后,将指定的地址位置0;

图1-9

图1-10
大家可以照着图1-10的正反转控制程序练习置复位。
注意事项:
01
置位复位输出点在不同情况下的ON/OFF状态取决于最后是置位还是复位;如果同时置位复位,则取决于被扫描的先后顺序,以最后的扫描结果为输出。
02
在实际编程过程中,置位指令使用时,不要忘了复位,不然会发生程序控制问题。
03
置位复位指令可以配合其他指令(如定时器/上升沿/下降沿)做步进顺序控制等项目要求功能。
双线圈说明

图1-11
看图1-11,如果不等于1,不管上面程序什么状态,均等于0;因为最后如果输出是线圈的话,则按照最后线圈状态位实际作为输出值结果。
如果,线圈全是置位复位,则最后导通的那个线圈就是最终的状态输出。
双线圈状态:图1-11;
如果导通一次后断开了,最终的输出状态还是以控制的状态实际值作为输出结果。
免责声明:本文章如果文章侵权,请联系我们处理,本站仅提供信息存储空间服务如因作品内容、版权和其他问题请于本站联系