
哈喽大家!今天聊聊三菱FX3UPLC定位控制如何使用,大家都知道FX3U本体是可以带3轴的,它可以向伺服电机、步进电机输送脉冲信号,从而使伺服步进电机进行定位控制。
大家会想,怎样让伺服电机转的快,或者走的位置多少,其实控制电机的速度和位置全部都是靠PLC发送的脉冲才可以运动。简单总结位如下
脉冲频率越高,电机速度越快。脉冲数越多,电机转的就越多。在工程项目中大家都是利用脉冲频率、脉冲数来设定定位对象的移动速度或者移动位置。


FX3U系列基本单元(晶体管输出)

1.漏型输出内部回路

2.源型输出内部回路

FX3U·FX3UC内置定位功能指令一览表


PLC特殊数据寄存器

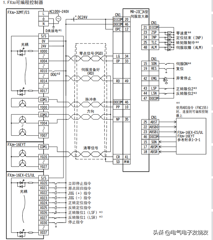
PLC与伺服接线分配

免责声明:本文章如果文章侵权,请联系我们处理,本站仅提供信息存储空间服务如因作品内容、版权和其他问题请于本站联系