本文以三相异步电动机为被控对象,介绍了利用PLC+变频器实现对三相异步电动机的变频调速控制。最后通过MCGS组态软件建立PLC与上位PC机之间的通信连接,实现上位机监控,并能通过IE浏览器访问实现远程监控。
随着工业控制要求的不断发展,对电机速度控制的要求也越来越高,交流调速的方法也越来越多。基于PLC可靠性高、抗干扰能力强、系统的设计、建造工作量小,维护方便、容易改造的特点,本设计以PLC作为控制核心,结合变频器、组态软件等完成对电机速度的控制。
组态软件是一种数据采集与过程控制的专用软件,它们是在自动控制系统监控层一级的软件平台和开发环境,使用灵活的组态方式,为用户提供快速构建工业自动控制系统监控功能的、通用层次的软件工具。这样基于MCGS组态软件建立PLC与上位PC机之间的通信连接实现远程操作控制,既可以改善操作人员的工作环境又可以提高工作的安全性。
系统设计的总体构架通过对系统的总体分析,该变频调速系统的设计实现过程分为三个步骤:
1)基层PLC+变频器实现对三相异步电动机的控制。
2)基于MCGS实现PLC与上位PC机之间的通信连接,实现上位机监控。
3)通过IE浏览器访问实现远程控制,可实现基于B/S模式的远程监控。上位监控层中的PC机运行MCGS网络版组态软件,一方面可作为PLC下位机的监控和组态平台另一方面由于MCGS网络版组态软件采用了先进的基于TCP/IP协议,可完成整个系统的信息收集和发布客户端上只需运行IE浏览器,便通过Internet对现场的运行状态进行浏览或控制。
本系统的控制平台分为三层:PLC控制层、上位机监控层、远程监控层,如图1所示。

图1电机变频调速系统
PLC+变频器实现变频调速本设计采用松下FP∑系列PLC和VF0系列变频器实现对三相异步电动机电动机的变频调速控制。我们将采用八段速、无极调速及采用光电编码器的闭环控制方法实现对电机的控制。
(1)八段速控制
八段速控制就是在变频器中设定八个频率,通过PLC的八个控制按钮输入分别控制一种频率输出,即实现一个按钮控制一种电机的转速。
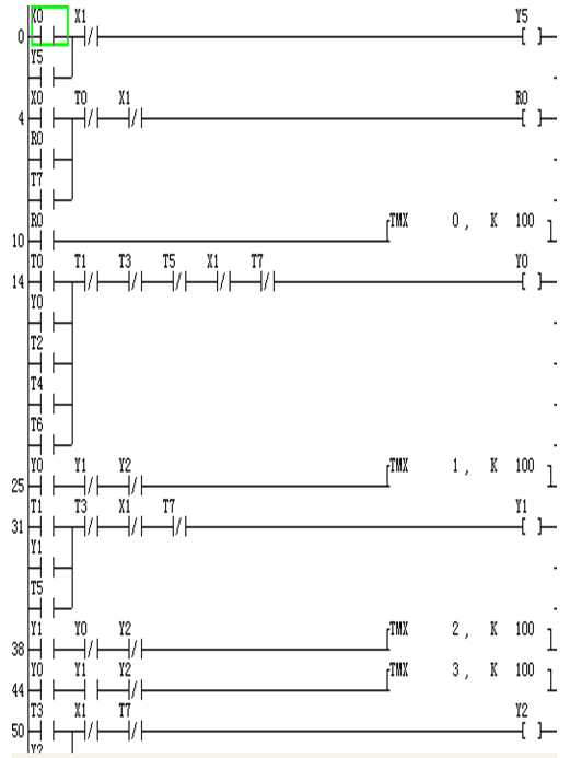
具体实现过程如下:编写PLC梯形图程序使输出端子Y0~Y2的输出状态组合成八种状态,即000~111。每一种状态用一个控制开关控制,这样共有八个控制开关控制PLC的Y0~Y2输出的八种状态。将PLC的三个输出端子与变频器的控制电路端子7~9依次相连。
通过对变频器P09、P32~P38参数的设定确定出各个状态输出频率的大小,这样就实现了每一个控制开关控制变频器的一种输出频率,将变频器与电动机连接起来,通过对八个控制开关的通断控制就实现了PLC对电机的八段速控制。PLC控制程序如图2所示。

图2八段速程序
(2)无极调速控制
本控制方案采用PWM技术对电机进行控制,PWM控制技术以其控制简单,灵活和动态响应好的优点而成为电力电子技术最广泛应用的控制方式,也是人们研究的热点.由于当今科学技术的发展已经没有了学科之间的界限,结合现代控制理论思想或实现无谐振软开关技术将会成为PWM控制技术发展的主要方向之一.
本方案所要实现的功能是结合组态软件实现在上位机组态界面上输入一个频率来控制电机按这一频率来运行。具体实现过程如下,通过软件编程使PLC输出一路PWM脉冲,连接于变频器的控制电路端子的9号端子。改变PWM脉冲的占空比即可改变变频器的输出频率,这样我们就可以在组态软件中通过设定PWM脉冲的占空比来确定电机的转速。PLC控制程序如图3所示:

图3无极调速程序
(3)采用光电编码器的闭环控制

图4闭环控制连接图
监控系统设计1触摸屏控制设计
本设计采用型号为AIGT0030B1POTGT01的松下触摸屏,在计算机上通过它的支持软件设计各个控制、说明及报警画面,下载到触摸屏后,再通过与PLC的通信来完成对电机的起停、正反转及速度的控制操作。触摸屏与PLC通过通信电缆连接。
2基于MCGS组态软件的上位机监控
MCGS组态软件系统是基于PC硬件、运行在windows平台上的一种组态软件,它由开发环境和运行环境构成,其中前者是应用程序的集成开发环境,在这个环境中完成界面的设计、变量的定义等工作,它具有先进完善的图形生成功能;变量有多种数据类型,能合理的抽象被控对象的特性,对数据的报警、趋势曲线、过程记录、安全防范等重要功能有简单的操作方法。
组态运行环境,用于显示画面开发系统中建立的图形画面,并负责软件与PLC之间的数据交换,实时更新变量的数值,同时完成报警显示、历史记录查询、趋势曲线监视等功能,并可生成历史数据文件。
本系统的设计步骤如下:
(1)在装有网络版MCGS组态软件的计算机上打开该软件,新建一个工程项目。利用组态软件提供的绘图工具构建监控系统的在操作界面。
(2)在组态软件中建立实时数据库,用以实现MCGS与PLC之间进行数据交换。
(3)建立MCGS与PLC之间通信连接,用松下编程电缆连接PLC与上位PC机。在组态软件的设备窗口中加入通用串口父设备及松下PLC,通讯设置如表1。

表1通讯设置
组态完成之后,进入运行环境就能实现对电机的上位机监控功能。监控画面如下图6、图7所示。

图6八段速控制界面

图7无极调速界面
3通过IE浏览器实现远程监控
MCGSWWW网络版组态软件具有Internet远程浏览的功能,可通过IE浏览器对所建立的工程进行远程浏览与操作控制。在作为上位监控的pc机上打开组态软件,进入运行环境即可。
结束语综上所述,通过PLC及变频器的运用方便简单的完成了对电机转速的控制,减少了硬件电路的设计。另外,本系统结合目前比较流行的触摸屏及组态软件技术,使控制系统自动化程度提高,运行稳定可靠,抗干扰能力强,操作简单、直观,维修方便,减轻了工人的劳动强度,提高了效率,使其在工业环境中有更大的应用价值。本控制系统可根据不同的控制要求编制不同的控制程序,应用于不同的工业控制环境。
(摘编自《电气技术》,原文标题为“基于PLC与组态软件的电机变频调速系统”,作者为王建伟、杨风等。)
免责声明:本文章如果文章侵权,请联系我们处理,本站仅提供信息存储空间服务如因作品内容、版权和其他问题请于本站联系