一、模拟量模块介绍
(一)模拟量输入模块
FX2N常用的模拟量输入模块有FX2N-2AD、FX2N-4AD、FX2N-8AD模拟量输入模块和温度传感器输入模块。FX—2AD为2通道12位A/D转换模块。根据外部连接方法及plc指令,可选择电压输入或电流输入,是一种具有高精确度的输入模块。通过简易的调整或根据可编程控制器的指令可改变模拟量输入的范围。瞬时值和设定值等数据的读出和写入用FROM/TO指令进行。
FX—2AD的技术指标

(二)模拟量输出模块
FX2N常用的模拟量输出模块有FX2N-2DA、FX2N-4DA、FX2N-8DA模拟量输出模块。FX—2DA为2通道12位D/A转换模块,是一种具有高精确度的输出模块。通过简易的调整或根据可编程控制器的指令可改变模拟量输出的范围。瞬时值和设定值等数据的读出和写入用FROM/TO指令进行。
FX-2DA的技术指标

二、模拟量模块使用
(一)确定模块的编号
在FX系列可编程控制器基本单元的右侧,可以连接最多8块特殊功能模块,它们的编号从最靠近基本单元的那一个开始顺次编为0~7号。如图:该配置使用FX2N48点基本单元,连接FX-4AD、FX-4DA、FX-2AD3块模拟量模块,它们的编号分别为0、1、2号。这3块模块不影响右边2块扩展的编号,但会影响到总的输入输出点数。3块模拟量模块共占用24点,那么基本单元和扩展的总输入输出点数只能有232点。

(二)缓冲寄存器(BFM)分配
FX系列可编程控制器基本单元与FX—4AD、FX—2DA等模拟量模块之间的数据通信是由FROM指令和TO指令来执行的,FROM是基本单元从FX—4AD、FX—2DA读数据的指令,TO是从基本单元将数据写到FX—4AD、FX—2DA的指令。实际上读、写操作都是对FX—4AD、FX—2DA的缓冲寄存器BFM进行的。这一缓冲寄存器区由32个16位的寄存器组成,编号为BFM31。
(三)FX-4AD模块BFM的分配表

(四)编程举例
FX-4AD模拟量输入模块连接在最靠近基本单元FX2N-48MR的地方,那么它的编号为N0,如果仅开通CH1和CH2两个通道作为电压量输入通道,计算平均值的取样次数定为4次,可编程控制器中的D0和D1分别接收这两个通道输入量平均值数字量,并编梯形图程序。
梯形图

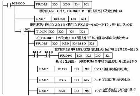
案例:制冷中央空调温度控制
一、动作要求分析
该制冷系统使用两台压缩机组,系统要求温度在低于12℃时不起动机组,在温度高于12℃时两台机组顺序起动,温度降低到12℃时停止其中一台机组。要求先起动的一台停止,温度降到7.5℃时两台机组都停止,温度低于5℃时,系统发出超低温报警。
二、硬件设计
在这个控制系统中,温度点的检测可以使用带开关量输出的温度传感器来完成,但是有的系统的温度检测点很多,或根据环境温度变化要经常调整温度点,要用很多开关量温度传感器,占用较多的输入点,安装布线不方便,把温度信号用温度传感器转换成连续变化的模拟量,那么这个制冷机组的控制系统就是一个模拟量控制系统。对于一个模拟量控制系统,采用可编程控制器控制,控制性能可以得到极大的改善。在这里可以选用FX2N-32MR基本单元与FX2N-4AD-PT模拟量输入单元,就能方便的实现控制要求。
中央空调温度控制I/O分配表


三、软件设计

免责声明:本文章如果文章侵权,请联系我们处理,本站仅提供信息存储空间服务如因作品内容、版权和其他问题请于本站联系