分享一个2年前在立创开源硬件平台上开源的项目,该项目目前是平台上最热门的ST-LINKV2-1项目,也是点赞数最多的一个ST-LINK相关的项目,以下是该项目的累积数据。

项目地址:自制ST-LINKV2-1(亲测可用)-嘉立创EDA开源硬件平台
ST-Link的硬件,官方推出了三大版本:V1、V2和V3。在官方《TN1235ST-LINK衍生产品概述》中有详细的说明,因篇幅原因就不展开来讲了,下面贴上一张官方手册的介绍。

ST-Link/V2:支持STM32和STM8调试,不带虚拟串口,TB上卖的大多是这种,目前手头还有好几个这个版本的ST-Link。后面会使用这个版本进行烧录。
ST-LinkV2-1:支持STM32调试,带虚拟串口和虚拟U盘下载,目前ST官方的Nucleo系列评估板上面板载的ST-Link就是这个版本。
本项目制作的就是用于STM32程序下载、仿真调试和串口功能为一体的ST-LinkV2-1
2、LCEDA2D3D图片2.1、2D图片



本项目原理图参考了正点原子的潘多拉开发板上的ST-linkV2-1设计,如下图。初次接触就是在这块潘多拉开发板上。

注意事项:
潘多拉开发板上的ST-linkV2-1出厂主控使用的是FLASH容量为64K的STM32F103C8T6,但是ST-linkV2-1最新的固件已经超过了64K,芯片容量不足。因此本项目主控选择的是FLASH容量为128KB的STM32F103CBT6(商品编号:C8304),这是C8T6的大容量版本,可以直接PINtoPIN替换。
3.1、USB接口电路潘多拉开发板上的USB_ST_LINK可以直接搬运过来,本设计中使用的是USB-Type-A

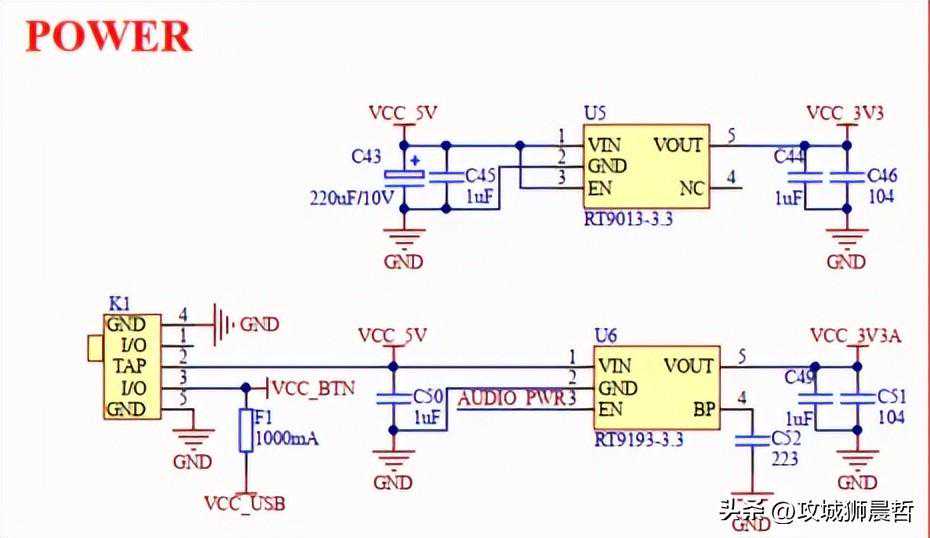
潘多拉开发板上的POWER只需要取一路LDO搬运过来

潘多拉开发板上的,这部分也可以搬运过来,将STM32F103C8T6更换为STM32F103CBT6

在附件中上传了一张ST官方的的原理图。
在ST官方的图纸中有一个名为COM的指示灯,这是一个红绿双色的LED指示灯,就是下图所示的这个LED。

那么这个指示灯有什么作用呢,在官方的TN1235技术手册中有专门的介绍,截取相关部分如下。

译文如下:
自ST-LINK/V2起,所有ST-LINK板均带有一个标有“COM”的LED(在外壳或PCB上)。
无论连接类型如何,此LED都会显示ST-LINK状态:
LED呈红色闪烁:正在与PC进行第一个USB枚举。
LED为红色:PC与ST-LINK之间的通信已建立(枚举结束)。
LED呈绿色和红色交替闪烁:正在目标和PC之间交换数据。
LED为绿色:上一次通信已成功。
LED为橙色:与目标的ST-LINK通信失败
本项目参考的潘多拉开发板集成的ST-LINKV2-1用了一个红色的LED代替了这个红绿双色的COM指示灯,因此本项目也沿用了这一设计,COM指示灯用一个红色LED替代。
5、PCB设计1、USB部分的D-和D+数据线必须使用差分走线。

2、晶振电路部分必须靠近MCU放置。








由于官方没有将ST-Link里面源码公开,同时也没有直接给出ST-Link固件(读保护),但是目前(2020年7月)网上已有流传多个版本的固件。
版本一:版本固件:标准V2版本,支持SWD和SWIM接口,这个版本的固件是。已上传附件。
版本二:版本固件:是用于ST-LINK/V2-1、ST-LINK/V2-A、ST-LINK/V2-B板(具有STM32调试接口、大容量存储接口、虚拟COM端口)的版本。已上传附件。
本项目制作ST-LinkV2-1必须使用这个版本作为烧录的固件版本。
7.2、烧录固件第一次烧录固件可使用这两个工具
STM32CubeProg:STM32CubeProgrammersoftwareforallSTM32下载地址
STM32CubeProg的主要功能就是编程(下载),支持Windows、Linux、macOS操作系统。
同时,需要安装JRE环境,才能使用它,下载地址。

STSW-LINK004:STM32ST-LINKutility下载地址
STM32ST-LINKUtility的功能比STM32CubeProg要稍微简单一些,其主要功能也是编程(下载)。

本文选用STM32CubeProg这个编程工具来烧录固件。
还需要一个烧录工具进行烧录固件,我这里只有下面这个ST-LinkV2

固件更新有三种方法
下载官方固件升级应用程序
STSW-LINK007:ST-LINK,ST-LINK/V2,ST-LINK/V2-1和STLINK‑V3板的固件升级
在官方RN0093发行手册(已上传至附件)中对已发行的升级包工具的版本有详细说明。
截止2020年7月最新的固件版本号

使用STM32CubeProg或者STM32ST-LINKutility自带的升级工具升级
内置固件版本


使用KeilMDK-ARM内置的升级工具进行升级,当ST-link的版本低于MDK内置的版本时,会提示进行升级。
内置固件升级版本与内置固件升级版本是一样的,都是
本文使用内置升级工具进行固件更新
8、验证
显示以上信息,确认固件OK
9、测试测试烧录功能,用Keil-MDK,下载程序成功,说明烧录功能正常
测试Debug功能,用Keil-MDK进行Debug调试,可以调试,说明Debug功能正常
测试U盘拖拽烧录功能,需要生成bin文件(bin文件生成方法),将bin文件拖到ST-link模拟的U盘中,成功烧录,说明虚拟U盘功能正常。
测试串口收发功能:用杜邦线连接ST-LINKV2-1的TX和RX,打开串口助手,发送数据,接收区收到相同的数据,说明串口收发正常
10、注意事项ST-LINK固件升级工具不知从哪个版本开始,不支持跨版本更新固件。
ST-LINK最近的几个版本的固件已加入了读保护,SWD口是锁上的,所以不能通过SWD口读写固件。
如果想改成DAP-LINK之类的固件,不能通过SWD口烧录固件,但是可以通过ISP的方式擦除STM32的固件信息,然后就可以使用SWD口正常读写。
免责声明:本文章如果文章侵权,请联系我们处理,本站仅提供信息存储空间服务如因作品内容、版权和其他问题请于本站联系