最近有朋友在问三菱PLC中FF指令代表什么功能\MOV的作用是什么?等诸如此类的问题,其实这些都是Q系列的基本指令。确实,对于不同品牌的PLC,如果我们想要把程序读懂,并且搞懂编程者的设计理念,就必须将程序中的命令熟悉。否则,在看程序的过程中就会出现读不懂,不能把若干个程序块连贯起来,越看头越大。
PLC是一种采用一类可编程的存储器,用于其内部存储程序,执行逻辑运算、顺序控制、定时、计数与算术操作等面向用户的指令,并通过数字或模拟式输入/输出控制各种类型的机械或生产过程。用户可以通过PLC指令来编制程序,完成对PLC的功能实现。
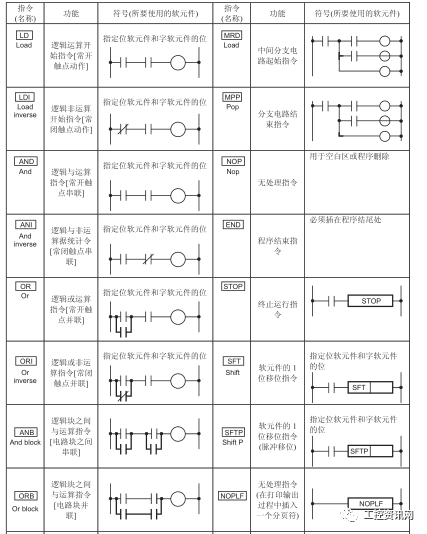
今天小编就把三菱Q系列所有指令都一一罗列,希望对各位同行有所帮助!


以上基本上就是Q系列PLC所常用的指令,需要提醒的是Q系列和Fx系列都属三菱PLC,但是两者在编程时所用到命令还是有所不同的,切勿将指令用错地方。
免责声明:本文章如果文章侵权,请联系我们处理,本站仅提供信息存储空间服务如因作品内容、版权和其他问题请于本站联系