每一种PLC的输入端COM口的名称都不相同,三菱PLC老一点的叫做COM端,FX-3U叫作S/S,西门子的公共端称为M,它们的作用都相同,通常数量不多。

下面就以FX2N和FX3U系列为例给大家讲一下
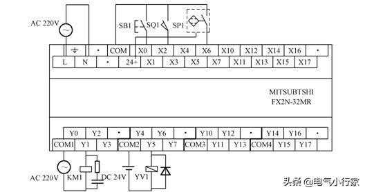
FX2N的COM端接线方式三菱PLCFX2N系列中的输入端有COM口和24+两个端子,这两个端子是整个输入端最重要的两个,其中COM端是与内部0V相接,内部24V+是与端子X0-X17相接的,那么能够改变的就是外部端子,如果是一般开关量输入,就是非常简单了,开关两根线分别连接COM和X0就可以了。
如果是三线制的传感器,由于FX2N的PLC是漏型输入,所以只能接入NPN型传感器,不建议使用中间继电器进行转接,接不好把PLC都有可能烧掉,接线的原则是棕正蓝负黑信号。

3U系列的COM端改名叫做S/S,上面说到2N系列由于是漏型输入只能接入NPN型传感器,所以这3u系列就进行了改进,支持两种型号的传感器,但是前提是正确的接线。
如果把S/S接入24V时,那么信号就需要从X输入点流出,然后再流入S/S,这种方式称为漏型,相反S/S接入0V,称为源型,确定了漏型和源型,才能够选择传感器类型。
所以漏型输入接的是NPN型传感器,源型输入接的就是PNP型传感器。

但是要注意一点,同一种输入类型只可以接一种传感器。
总结上面讲的都是三菱的情况,因为三菱的输入端都是带有电源的,西门子是不带内置电源的,所以情况相反。
免责声明:本文章如果文章侵权,请联系我们处理,本站仅提供信息存储空间服务如因作品内容、版权和其他问题请于本站联系